TQX清洗型旋转阀概述:QX快速分解清洗型旋转阀广泛用于食品、药品、乳制品等对卫生高要求场合以及更换物料频繁需要清理系统的供(卸)料。
内容详情

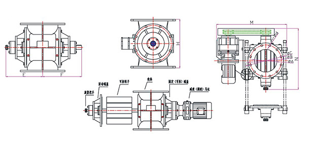
1、滑竿式:清洗前的拆卸。松开活动端盖上的螺旋手柄,沿柱将端盖和转子一起拉出,松开轴端的螺旋手柄,取出转子。清洗后的安装。将清洗后的转子插入壳体内,转动转子使键槽齿合,推动端盖、旋紧端盖上的螺旋手柄,再将轴端的螺旋手柄锁紧,使转子一起转动。
2、铰链式:操作方法基本如上所述。
★ 短时间内分解重组,因此可以缩短清洗时间。
★ 与物料的接触面全部抛光处理,易清理。
★ 轴承外置。防止清洗的液体与油污串通,安全卫生。
★ 气体吹出(根据需要),防止物料在夹缝中研磨而产生的变色、变质。
★ 标准的为马达直联驱动(也有链驱动)。
★ 提供各种尺寸的口径和特殊要求的产品。
★ 材质为不锈钢系列等。
2、铰链式:操作方法基本如上所述。
★ 短时间内分解重组,因此可以缩短清洗时间。
★ 与物料的接触面全部抛光处理,易清理。
★ 轴承外置。防止清洗的液体与油污串通,安全卫生。
★ 气体吹出(根据需要),防止物料在夹缝中研磨而产生的变色、变质。
★ 标准的为马达直联驱动(也有链驱动)。
★ 提供各种尺寸的口径和特殊要求的产品。
★ 材质为不锈钢系列等。
|
型号-口径 Type |
每专容积 L/Rev |
外形及安装联接尺寸Stuctural dimensions(mm) | 转速 | 电机功率 | ||||||||
| H | ΦA | ΦB | ΦC | E | F | M | N | N-Φd | r/min | (KW) | ||
| TQX-100 | 2 | 280 | 100 | 180 | 220 | 240 | 260 | 8-Φ18 | 1~50 | 0.2 | ||
| TQX-150 | 4 | 320 | 150 | 240 | 285 | 280 | 300 | 630 | 560 | 8-Φ22 | 1~50 | 0.4 |
| TQX-200 | 8 | 370 | 200 | 295 | 340 | 300 | 320 | 680 | 620 | 8-Φ22 | 1~50 | 0.55 |
| TQX-250 | 16 | 430 | 250 | 350 | 395 | 325 | 345 | 780 | 680 | 12-Φ22 | 10~24 | 0.75 |
| TQX-300 | 25 | 490 | 300 | 400 | 445 | 350 | 370 | 830 | 730 | 12-Φ22 | 10~24 | 1.1 |
一、订购方式
| 产品类 | |
|---|---|
|
步骤一 (查找产品) |
通过网站(天利流体 官方网)或服务目录确定产品型号和名称(例如:WX-10B微型蠕动泵 ) |
| 特别提示:如果您不熟悉或不清楚自己需要的产品, 请点击 《TLLT天利流体蠕动泵选型表》word版或PDF版,下载后可以直 接打印出来,填写后请发传真到86-0510-82749199,或发邮件到:tllt@china- tllt.com ,我们将有销售人员提供免费选型服务! | |
|
步骤二 下订单 |
方式一、联系我400-0510-608 0510-82749177 将产品型号 和所需数量提供给销售人员 |
|
方式二、填写电子版产品订购表格或者产品订购合同(销售人
员会提供); 发送表格至tllt@china-tllt.com或传真至 86-0510-82749199 |
|
二、付款方式
| 银行汇款 | |
|---|---|
| 公司名称: | 无锡市天利流体科技有限公司 |
| 开户银行: | 中国农业银行无锡市八士支行 |
| 对公帐号: | 651 801 040 009 626 |
| 银行行号: | 103302065180 |
三、快递地址
| 快递地址 | |
|---|---|
| 收件人姓名: | 销售部 (需要注明具体客服人员姓名),如不清楚填写:顾旖 旎 小姐 |
| 收件人单位: | 无锡市天利流体科技有限公司 |
| 收件人地址: | 中国江苏省无锡市八士新坝工业园1号 |
| 收件人邮编: | 214192 |
| 收件人电话: | 请参见联系我们 一栏,或填写我们的统一热线:0510-82749177 82749188 |
四、产品价格说明
本公司产品价格以中文网站人民币价格为准(如有疑问欢迎来电咨询)* 对于首次订货的客户将享受折扣优惠或小礼品;
* 对于本公司的会员客户,将长期享受公司提供的会员价;
五、送货方式及费用
| 运输方式 | 费用 |
|---|---|
| 快递或者物流 | >500元的订单:免收运费(小于2kg) |
| <500元的订单:江浙沪(小于2kg)运费10元;其他地区 (小于2kg)运费20元;大于2kg,运费30元; |
六、发货热线
发货热线:13912371200 黄晓波 先生七、质量承诺
1. 本公司的所有产品都经过严格的质量检测后发货。如果发现确实存在问题,本公司保证给以退换(请下载并填写产品投诉 表)
2. 如果货到后一个月内用户未对产品提出异议,则视该产品为优良产品,本公司不再受理退换及索赔事宜 。对产品质量存在异议时,请及时提出,以便本公司回收产品,确认产品质量。
八、电子样册下载
点击下载 天利流体2018粉体产品电子样册 (PDF格式)
注:如果您需要其他资料,请和我们的服务人员联系,我们将竭诚为您服务!
