IT系列工业型蠕动泵概述:工业软管泵(俗称:供给泵、高粘泵、脱硫泵等)系列产品是吸收了国外先进技术而开发的一种新型的、多功能、多用途工业泵。
内容详情

概述
工业蠕动泵(俗称:工业软管泵、供给泵、高粘泵、脱硫泵等)系列产品是吸收了国外先进技术而开发的一种新型的、多功能、多用途工业泵。它彻底摆脱了传统泵叶轮和轴密封的运行模式,对粘度大、腐蚀性大、流体杂质大的介质输送具有极大的优势,是和传统输送泵的截然不同的原理,应用范围广。
工业软管泵的优势
特有的无密封结构,无任何泄漏和污染;采用先进的滚动技术,压辊不需要任何润滑;自吸能力强并具有自清理能力,能正反吸料;简易的软管装置,安装维修简单,维修费用低,操作简单;流量可进行线性调节,并有一定的计量功能;对粘度大有杂质的流体输送不产生任何堵塞;泵的使寿命长,扬程高和泵口压力大。
工作原理
一根内壁光滑、强度可靠的特制橡胶软管安装在泵内部,通过一对压辊沿着软管旋转挤压,这样的旋转使得介质往一个方向输送而不会有倒流软管在输送介质之后,由被压扁软管的自身弹性和侧导辊的强制下,软管恢复原状,此时,软管内产生高真空将介质再次吸入管腔;然后介质在随之而来的压辊挤压下从软管内排出。如此周而得始,介质不断地被吸入和排出。
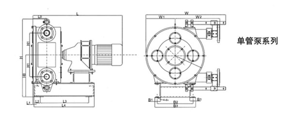
示意图

★ 磷肥及复肥:喷雾造粒、浓料浆、沉淀污泥的输送;实验室流体定量输送;
★ 采矿、选矿:金矿开采中的充填物料、黄金冶炼过程的矿浆等输送;浓矿浆、地下通道排水、吸附剂、灰浆和沙浆等;
★ 黄金冶炼业:金矿浆、尾矿;
★ 化学工业:酸、碱、磷酸盐浆料及二氧化 钛等无机盐物料;结晶液、悬浮液、乳胶、树脂、软泥以及各种酸碱浆液;
★ 污水处理:淤泥浆等输送;
★ 石油工业:钻井泥浆及原油输送;
★ 陶瓷行业:陶瓷胚浆、泥釉输送;
★ 造纸行业:纸浆、硫磺浆输送;
★化妆品:牙膏、乳剂、护发素、棉霜、面油等;
★ 建筑工业:污水和深坑排水、混泥土浆、天花板涂料等;
★ 电镀电解业:电镀液、电解液、阳极泥、沉淀物等;
★ 食品行业:油类物料及饮料输送;
★ 医药行业:各种药品料液的输送;
★ 其他行业:放射性废液、电解废渣、金属渣液、油漆 、涂料、印染助剂、黏合剂、胶水、胶乳、耐火纤维浆及其他一切密封要求高、黏度大、颗粒含量多的液体输送。
★ 采矿、选矿:金矿开采中的充填物料、黄金冶炼过程的矿浆等输送;浓矿浆、地下通道排水、吸附剂、灰浆和沙浆等;
★ 黄金冶炼业:金矿浆、尾矿;
★ 化学工业:酸、碱、磷酸盐浆料及二氧化 钛等无机盐物料;结晶液、悬浮液、乳胶、树脂、软泥以及各种酸碱浆液;
★ 污水处理:淤泥浆等输送;
★ 石油工业:钻井泥浆及原油输送;
★ 陶瓷行业:陶瓷胚浆、泥釉输送;
★ 造纸行业:纸浆、硫磺浆输送;
★化妆品:牙膏、乳剂、护发素、棉霜、面油等;
★ 建筑工业:污水和深坑排水、混泥土浆、天花板涂料等;
★ 电镀电解业:电镀液、电解液、阳极泥、沉淀物等;
★ 食品行业:油类物料及饮料输送;
★ 医药行业:各种药品料液的输送;
★ 其他行业:放射性废液、电解废渣、金属渣液、油漆 、涂料、印染助剂、黏合剂、胶水、胶乳、耐火纤维浆及其他一切密封要求高、黏度大、颗粒含量多的液体输送。
★ 当工艺条件为间歇式生产且无定量要求时,选泵的额定流量可以大于实际需要流量。
★ 当工艺条件为连续生产时,实际需要流量应与泵的额定流量基本吻合,如果要求流量能调节,可选用带变频调速的泵。
★ 泵的额定压力是指该泵某一功率电机配备下的工作压力,泵的实际工作压力是该泵所在系统本身的管道阻力损失及提升高度所决定的,因此,在设计选型时系统中的实际工作压力会小于泵的额定压力,若所需的实际工作压力与泵的额定压力相差较大,可另配电动机。
★ 普通软管的使用温度≤100℃,考虑生产过程中会产生热量,一般用于介质温度小于80℃的共况若在通风(或冷却)散热条件较好的情况下,介质温度可以到100℃.若物料温度大于100℃,需选用特殊耐热胶管。
★ 输送有卫生级介质(如:食品、医药等),可采用特制的卫生级软管,请在订货时予以说明。
★ 软管的主要成分为天然橡胶和丁基橡胶,选用时请考虑软管对输送介质的适应性。
★ 泵的进出口在同一方向,且进出口可互换,可根据配管和实际情况确定。
★ 泵的进出口连接形式有法兰连接和承插式连接。
★ 双管型泵的进出接口也是单接口。
★ 可根据客户需要进行非标设计。
★ 当工艺条件为连续生产时,实际需要流量应与泵的额定流量基本吻合,如果要求流量能调节,可选用带变频调速的泵。
★ 泵的额定压力是指该泵某一功率电机配备下的工作压力,泵的实际工作压力是该泵所在系统本身的管道阻力损失及提升高度所决定的,因此,在设计选型时系统中的实际工作压力会小于泵的额定压力,若所需的实际工作压力与泵的额定压力相差较大,可另配电动机。
★ 普通软管的使用温度≤100℃,考虑生产过程中会产生热量,一般用于介质温度小于80℃的共况若在通风(或冷却)散热条件较好的情况下,介质温度可以到100℃.若物料温度大于100℃,需选用特殊耐热胶管。
★ 输送有卫生级介质(如:食品、医药等),可采用特制的卫生级软管,请在订货时予以说明。
★ 软管的主要成分为天然橡胶和丁基橡胶,选用时请考虑软管对输送介质的适应性。
★ 泵的进出口在同一方向,且进出口可互换,可根据配管和实际情况确定。
★ 泵的进出口连接形式有法兰连接和承插式连接。
★ 双管型泵的进出接口也是单接口。
★ 可根据客户需要进行非标设计。
实际应用部分图片及不锈钢工业泵




| 型号 | 额定功率(kw) |
额定流量(m³/h) |
额定压力(Mpa) | 转速 |
| IT20 | 0.75 | 0.3 | 1.0 | 42 |
| IT25 | 1.1 | 0.5 | 1.0 | 34 |
| IT32 | 1.5 | 1.0 | 1.0 | 42 |
| IT40 | 1.5/2.2 | 1.5-2.5 | 1.0 | 34-50 |
| IT50 | 2.2/4 | 3.0-6.0 | 1.0 | 25-50 |
| IT65 | 4/7.5 | 7.0-11 | 1.0 | 25-42 |
| IT65D | 7.5/11 | 18-25 | 0.8 | 34-50 |
| IT75 | 5.5/7.5 | 15-20 | 0.8 | 42-50 |
| IT75D | 11-15 | 30-35 | 0.8 | 42-50 |
| IT90D | 18.5-22 | 40-50 | 0.6 | 34-42 |
| 型号 | L | L | L1 | L2 | L3 | L4 | H | H0 | H1 | W | W1 | W2 | B1 | B2 | B2 | d0 | dg | kg |
| IT20 | 560 | 84 | 6 | 25 | 439 | 439 | 326 | 203 | 94 | 373 | 123 | 260 | 40 | 150 | 185 | 11 | 20 | 85 |
| IT25 | 630 | 92 | 12 | 25 | 498 | 560 | 430 | 238 | 116 | 474 | 154 | 320 | 58 | 240 | 290 | 13 | 25 | 114 |
| IT32 | 700 | 102 | 12 | 25 | 345 | 412 | 516 | 279 | 140 | 542 | 187 | 325 | 58 | 240 | 290 | 17 | 32 | 145 |
| IT40 | 870 | 107 | 17 | 25 | 393 | 465 | 562 | 292 | 160 | 537 | 211 | 326 | 68 | 280 | 330 | 17 | 40 | 195 |
| IT50 | 911 | 130 | 20 | 60 | 425 | 565 | 706 | 370 | 210 | 725 | 270 | 415 | 75 | 340 | 390 | 17 | 50 | 316 |
| IT65 | 1035 | 155 | 25 | 80 | 530 | 715 | 901 | 467 | 280 | 897 | 352 | 505 | 90 | 380 | 460 | 20 | 70 | 522 |
| IT65D | 1485 | 400 | / | 100 | 900 | 1100 | 936 | 502 | 280 | 921 | 600 | 615 | / | 463 | 521 | 20 | 100 | 736 |
| IT75 | 1125 | 175 | 30 | 80 | 577 | 767 | 946 | 522 | 302 | 1007 | 382 | 645 | 40 | 380 | 490 | 22 | 70 | 655 |
| IT75D | 1580 | 305 | / | 67 | 1100 | 1200 | 986 | 552 | 302 | 940 | 640 | 650 | / | 440 | 520 | 22 | 100 | 1030 |
| IT90D | 2200 | 370 | 15 | 72 | 1400 | 1546 | 1209 | 654 | 359 | 1314 | 458 | 856 | 73 | 560 | 625 | 26 | 125 | 1400 |
一、订购方式
| 产品类 | |
|---|---|
|
步骤一 (查找产品) |
通过网站(天利流体官方网)或服务目录确定产品型号和名称(例如:WX-10B微型蠕动泵) |
| 特别提示:如果您不熟悉或不清楚自己需要的产品, 请点击《TLLT天利流体蠕动泵选型表》word版或PDF版,下载后可以直接打印出来,填写后请发传真到86-0510-82749199,或发邮件到:tllt@china-tllt.com ,我们将有销售人员提供免费选型服务! | |
|
步骤二 下订单 |
方式一、联系我400-0510-608 0510-82749177 将产品型号和所需数量提供给销售人员 |
|
方式二、填写电子版产品订购表格或者产品订购合同(销售人员会提供); 发送表格至tllt@china-tllt.com或传真至86-0510-82749199 |
|
二、付款方式
| 银行汇款 | |
|---|---|
| 公司名称: | 无锡市天利流体科技有限公司 |
| 开户银行: | 中国农业银行无锡市八士支行 |
| 对公帐号: | 651 801 040 009 626 |
| 银行行号: | 103302065180 |
三、快递地址
| 快递地址 | |
|---|---|
| 收件人姓名: | 销售部 (需要注明具体客服人员姓名),如不清楚填写:顾旖旎 小姐 |
| 收件人单位: | 无锡市天利流体科技有限公司 |
| 收件人地址: | 中国江苏省无锡市八士新坝工业园1号 |
| 收件人邮编: | 214192 |
| 收件人电话: | 请参见联系我们一栏,或填写我们的统一热线:0510-82749177 82749188 |
四、产品价格说明
本公司产品价格以中文网站人民币价格为准(如有疑问欢迎来电咨询)* 对于首次订货的客户将享受折扣优惠或小礼品;
* 对于本公司的会员客户,将长期享受公司提供的会员价;
五、送货方式及费用
| 运输方式 | 费用 |
|---|---|
| 快递或者物流 | >500元的订单:免收运费(小于2kg) |
| <500元的订单:江浙沪(小于2kg)运费10元;其他地区(小于2kg)运费20元;大于2kg,运费30元; |
六、发货热线
发货热线:13912371200 黄晓波 先生七、质量承诺
1. 本公司的所有产品都经过严格的质量检测后发货。如果发现确实存在问题,本公司保证给以退换(请下载并填写产品投诉表)
2. 如果货到后一个月内用户未对产品提出异议,则视该产品为优良产品,本公司不再受理退换及索赔事宜。对产品质量存在异议时,请及时提出,以便本公司回收产品,确认产品质量。
八、电子样册下载
点击下载 天利流体2019流体产品电子样册 (PDF格式)
注:如果您需要其他资料,请和我们的服务人员联系,我们将竭诚为您服务!
